分离提取技术

用工业乙腈制备梯度级色谱乙腈的研究

董艺萌*,杨长青,刘若峰,于朴凡,王路

(北京化学试剂研究所有限责任公司,北京 102607)

摘要:随着液相色谱在药物分析、生物分离等领域的深入应用,作为常用的液相色谱流动相之一的色谱纯乙腈对紫外透光性、基线稳定性和批次一致性有非常严苛的标准。采用工业级乙腈为原料,使用氧化、吸附、精馏等工艺进行提纯,深入探索了乙腈中微量水分的去除方法,分析和讨论了水分难以去除的原因,讨论和确定了精馏塔的液泛速度和压力降重要关键参数的设定。该工艺可以中试规模、多批次连续生产出高纯度色谱级乙腈,所得产品在195~280 nm波长范围内的紫外吸光度低至0.002~0.026,基线平稳无杂峰,其中在190 nm处的吸光度稳定控制在0.015以下,产品的各项指标优于默克公司在售产品。经实践表明,该技术路线具有工艺流程合理、操作稳定可靠、产品质量优异等特点,特别适用于高纯度色谱级乙腈的规模化生产,为高端分析检测领域提供了可靠的技术支撑。

关键词:分子筛;色谱乙腈;活性炭;精馏;吸附

随着液相色谱的广泛应用,色谱纯乙腈作为常用的液相色谱流动相,其需求量也与日俱增。尤其是高纯度、低杂质、质量稳定的色谱纯乙腈产品,在对分析结果要求极高的高端制药研发、前沿科学研究等领域备受青睐。但是普通的色谱级试剂很难达到要求,主要原因是其中含有的杂质是沸点相近的有机物、不饱和有机物和水等,这些杂质较难除掉,使得分析中出现杂质峰,影响定性、定量分析和质谱解析结果。

工业乙腈制备色谱乙腈有很多工艺方法,比较有代表性的有:郑学根[1]分析对比了国内外的主流提纯方式,包括氧化-酸处理-蒸馏、离子交换树脂、多级精馏等提纯工艺,结果表明不同方法得到的色谱级乙腈的质量也有差别,但在200~300 nm的吸光度均高于默克公司的产品;阳晓辉[2]采用氧化-精馏-吸附的提纯工艺对工业乙腈进行提纯,总收率在85%以上,收率较低;宋金链等[3]采用吸附-酸萃取-干燥-氧化-还原-精馏的提纯工艺,所得样品与默克公司产品相当,但工艺流程复杂。综上所述,现有的乙腈提纯工艺首先是无法符合高质量色谱乙腈的要求,其次是工艺比较复杂,最后是生产成本过高,产品回收率低。

通过对工业乙腈的性质和杂质进行分析,设计了碱处理-氧化中和-吸附-精馏的工艺路线,从工业乙腈制备梯度级色谱乙腈,该工艺具有工艺流程简便、产品质量高、收率高等特点。通过将碱处理-氧化中和-吸附-精馏几种提纯方式组合使用,利用设计定制专用的提纯装置[4-7],并经过反复优化调整后确定工艺参数,以工业乙腈为原料,在中试规模上,多批次连续生产出高纯度色谱级乙腈,产品可以与默克(Merck)公司的梯度级液相色谱乙腈相当。

1 实验部分

1.1 主要仪器与试剂

UV8500型紫外分光光度仪(上海天美分析仪器有限公司);5979T-7890A型高效液相色谱仪(安捷伦科技(中国)有限公司);DL37型水分仪(梅特勒-托利多国际贸易(上海)有限公司);提纯设备(自制)。

过氧化氢(50%,食品级)、氢氧化钠(分析纯)、工业乙腈(99.8%)(北京化工厂);分子筛(3 Å,10X,上海环球分子筛有限公司);活性炭(椰壳型,唐山联合炭业科技有限公司)。

1.2 实验方法

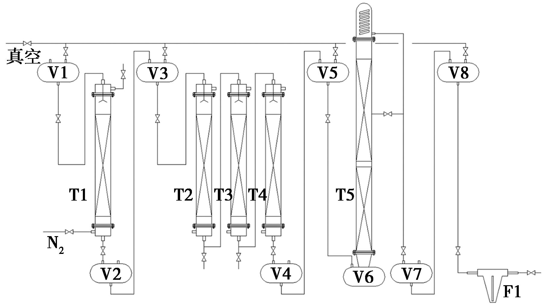
本实验采取氧化剂氧化、活性炭吸附、分子筛吸附、精馏的方法,用工业乙腈制备梯度级色谱乙腈的工艺路线如图1所示。

T1.氧化中和柱;T2.活性炭吸附柱;T3、T4.分子筛吸附柱;T5.精馏柱;V1.原料罐;V2、V3、V4、V5.中间成品罐;V6.精馏塔釜;V7.成品罐;V8.分装罐;F1.过滤器

图1 制备梯度级色谱纯乙腈装置示意图

Fig.1 Schematic diagram of the preparation of gradient-grade chromatographic purity acetone device

1.3 工艺流程和装置示意图

实验装置说明:氧化中和柱柱长1500 mm,柱径为Φ80 mm,内部填充Φ6 mm×6 mm石英拉西环填料;吸附柱柱长1300 mm,柱径为Φ60 mm,吸附剂层高900 mm;精馏塔为填料塔,全塔高3300 mm,塔径为Φ70 mm,塔内填料为Φ6 mm×6 mm石英材质的拉西环。整个精馏塔共24块理论板,其中,提馏段为4块理论塔板,精馏段为20块理论塔板。

1.4 实验过程

1.4.1 原料预处理

向100 L工业乙腈中加入20%浓度的氢氧化钠溶液调至pH 11,搅拌30 min,pH值不变。预处理后的乙腈与50%H2O2分别作为反应原料备用,经过预处理后的乙腈原料中含有少量水分,经检测水分含量为1.6%。

1.4.2 氧化中和反应体系构建

首先从柱底以1 L/min流速通入氮气建立惰性气氛。随后通过计量泵分别输入0.1~0.2 L/min预处理乙腈和50%(0.05~1 mL/min)H2O2,经分液头使预处理过的工业乙腈和H2O2均匀分布于填料上,当溶液从氧化中和柱底端出口流出时呈中性。优化工艺参数表明,当乙腈流速为140 mL/min、50% H2O2流速为0.18 mL/min时,体系呈现最佳氧化效率。

1.4.3 吸附纯化工艺

收集氧化中和后产物(pH 7)进行三级吸附处理:经过氧化中和的乙腈原料以0.3 L/min的流速从活性炭柱的顶端通过经预处理的活性炭吸附柱。从活性炭柱中流出的乙腈原料,以相同速度依次通过3 Å和10X分子筛柱。

1.4.4 精馏纯化工艺

将15 L吸附后乙腈加入精馏塔釜,控制回流比1∶4。首先出现回流时,去除500 mL馏出液,收集塔顶轻组分作为产品。当塔釜剩余液体为 5 L左右时,补加原料至15 L,此后循环之前操作,需要特别注意的是每补充一次原料就需要去头500 mL的馏出液。最后,每处理100 L原料后排放5 L残液。

1.4.5 取样送检

清洁与漂洗:采样瓶首先经10 min超声波清洗,以彻底剥离瓶壁附着物;随后使用超纯水(电阻率≥18.2 MΩ·cm)进行3轮涡流冲洗,每次不低于3 min,以消除清洗剂及微粒残留。

干燥与净化:经冲洗的瓶体被转移至百级洁净室的层流操作台下,进行持续48 h的负压干燥,期间环境湿度控制在30%以下,确保其免受二次污染并彻底干燥。

惰化与灌装:灌装前,采用高纯氮气对瓶内进行三阶段吹扫,在氮气正压保护下,以缓慢的流速完成样品灌装并立即密封,以防止气泡产生。

2 结果与讨论

2.1 工艺路线探索和优化

如表1所示,样品1和默克(Merck)公司的色谱纯乙腈相比,190~280 nm波长的吸光度相似,本实验所得乙腈经紫外检测(200~400 nm)显示无特征吸收,符合梯度色谱级标准。且样品1中的色谱纯乙腈在190~280 nm范围的吸光度更低。

表1 不同工艺样品实测及标准对比

Tab.1 Comparative analysis of measured data and standards for samples from different processes (A)

注:样品1为实验样品,严格按照实验步骤制作出来的样品;样品2在预处理步骤中调至pH 8;样品3在吸附步骤中使用未经过酸洗预处理的活性炭进行吸附;样品4活性炭经过酸洗预处理但未进行过滤步骤;样品5在吸附步骤中使用未经异丙醇预处理的活性炭进行吸附。

波长/nm190195200205210215220225230254280默克公司标准≤1.0≤1.5≤0.05≤0.04≤0.03≤0.025≤0.015≤0.015≤0.01≤0.005≤0.005默克公司实测0.4190.0930.0520.0430.0270.0160.0100.0040.0000.0000.000样品10.2200.0400.0000.0000.0000.0000.0000.0000.0000.0000.000样品20.29620.28820.05990.0380.02980.0260.01510.0010.0000.0000.000样品30.6650.3700.0490.0540.0500.0310.0210.0180.0080.0140.003样品40.4450.2600.0570.0420.0400.0180.01710.0110.0040.0060.001样品50.9680.7070.2660.0970.0530.0460.0260.0170.0140.0030.003

图2表明,在高效液相色谱(HPLC)等分析技术所关注的低波长段(如215~254 nm),本实验乙腈样品展现出优异的纯度与更低的紫外吸收背景,优于默克公司高端产品,说明本工艺路线能够极为有效降低芳香族杂质及其他紫外吸收物质含量。

图2 试验样品与Merck公司样品对比

Fig.2 Comparative analysis of test samples and samples from Merck

图3 活性炭结构示意图[10]

Fig.3 Schematic diagram of activated carbon structure[10]

图4 水分子和乙腈分子的相互作用

Fig.4 Interaction between water and acetonitrile molecules

图5 分子筛的吸附示意图

Fig.5 Schematic diagram of molecular sieve adsorption

2.2 对碳氮三键的保护

样品1与样品2的区别在于预处理步骤,样品1中调至pH 11,样品2调至pH 8。样品2在195和215 nm处的吸光度值超出标准限值。分析其具体原因为:乙腈中含有碳氮三键,从而使乙腈抗氧化能力比较弱,而过氧化氢在缓冲碱性条件下分解成水和氧原子[8],氧原子氧化能力非常强,将乙腈中的碳氮三键氧化,增加了乙腈中的杂质,影响了色谱纯乙腈的吸光度。

推测H2O2在pH(7.5±0.5)条件下的自由基链式反应,导致C≡N键断裂:

H2O2+OH-HO2-+H2O

HO2-·O-+·OH

生成的活性氧(·O-、·OH)攻击乙腈分子,引发腈基发生亲核C—O偶联反应[9]。但在pH 11时可以有效保护碳氮三键不被氧化。

2.3 活性炭的预处理

活性炭是一种以碳元素为骨架主体的多孔吸附材料。其吸附性能主要取决于发达的孔隙拓扑结构,但亦与化学组成及表面官能团密切相关。

除主体碳元素外,活性炭通常含有一定比例的非碳组分,可区分为无机化合物与有机化合物两大类。其中,无机化合物构成灰分主体;有机化合物主要指键合于碳基质边缘的含氧官能团,包括酸性基团和碱性基团,如羧基、酚羟基、内酯基、吡喃酮结构等[11,12]

活性炭中的杂质主要包括原料残留、活化引入及环境吸附的无机物(如金属氧化物Fe2O3、碱金属盐类)、有机残留物(焦油、残留活化剂)以及物理堵塞物(灰烬颗粒、纤维碎片等运输和包装物带来的沾污)。针对性的去除方法包括:无机杂质采用酸洗(HCl脱除90%金属氧化物);有机杂质通过溶剂洗脱(异丙醇清除焦油);物理堵塞物则依赖超声分散释放微孔[12-16]

姚顺春等[16]的研究表明灰分中Fe元素会对常用的C元素分析谱线C 247.86 nm附近产生明显的Fe 247.95 nm谱线干扰。通过样品1与样品3的对比不难看出,使用未经过酸洗预处理的活性炭在吸附过后,紫外线峰值出现了明显的偏移,验证了金属氧化物对碳特征峰的遮蔽效应。观察发现样品3和样品4的基线明显向上偏移,根据Mie散射原理推测[17],应该是溶液中的纳米颗粒与紫外光线发生散射所导致的。样品3中有吸附时从活性炭中洗脱下来的灰分颗粒,活性炭预处理后的样品4的基线明显比样品3要低,但还未达到要求,这说明样品4中还有少量的纳米颗粒,因此不仅活性炭要用盐酸进行预处理,去除部分灰分,而且在纯化工艺的最后也应加上过滤环节,用以去除颗粒。

脱除金属杂质:HCl与活性炭中金属杂质发生反应,溶解纤维制备过程中残留的金属离子(如Fe3+、Ca2+、Mg2+),消除其对吸附位点的占据或催化副反应干扰。

Fe2O3+6HCl2Fe2O3+3H2O

CaCO3+2HClCaCl2+CO2+H2O

打开阻塞孔隙:酸蚀清除微孔入口的无机灰分或碳质沉积物,提升比表面积和孔容。

异丙醇(IPA)的清洗作用:活性炭中含有部分焦油,焦油吸附在活性炭的表面,对于含氧焦油可以通过异丙醇的羟基与酚基、羧酸基、羧基结合成氢键而被洗脱掉,对于轻质非极性焦油(如萘、蒽)的焦油可以通过异丙醇与萘、蒽形成范德华力而被洗脱掉。

IPA-OH…OC—(焦油羧基)

IPA-OH…HO—(焦油酚羟基)

样品1和样品5对比发现,样品1中色谱纯乙腈在190~280 nm范围内吸光度低于样品5中的色谱纯乙腈在190~280 nm范围内吸光度,当活性炭纤维未经过异丙醇煮沸处理时,获得的色谱纯乙腈在190~280 nm范围内吸光度显著增高,从而导致无法得到合格的色谱纯乙腈。其原因为:活性炭纤维中含有的微量的羧基、酚羟基、内酯基化合物等杂质给色谱级乙腈制备带来较大二次污染,从而导致获得的色谱纯乙腈的杂质增加,即在190~280 nm范围内吸光度显著增高。

2.4 微量水分的去除

在实验过程氧化阶段加入少量的过氧化氢溶液,有少量的水被引入原料中,在1.4.1的原料预处理阶段后检测的水分含量为1.6%。在表2中样品6是未经过分子筛吸附但经过精馏处理的,通过对样品6的数值分析,发现精馏对微量水分的去除并没有起到明显的作用。

表2 不同样品水分含量及其他杂质与标准对比

Tab.2 Comparison of moisture content and other impurities in different samples with standards

工业原料预处理后原料样品6样品1色谱级乙腈色度(APHA) ≤1010855含量(GC)/% ≥99.598.298.599.999.9水分/(mg·kg-1) ≤3000160001300042100

2.4.1 水和乙腈分子的共沸原理

乙腈(CH3CN)分子中,氮原子电负性较高,C≡N呈现一定极性。但C—H键极性较弱,C≡N中N原子的电子云被吸引,N原子的电子云偏移使N显示出部分负电荷性,氮原子上的孤对电子能够与水分子中O—H键的氢形成N…H—O型的类似氢键的缔合[18,19]

在乙腈-水二元体系中,气-液界面处会发生显著的组成分层,根据表面自由能最小化原理以及相似相容原理,分子自发排布。从微观层面看,乙腈分子与水分子的缔合组成,疏水的甲基朝向气相,氰基则伸入液相并与水分子形成缔合,乙腈与水的缔合组成被排列在液相的最表层。这种微观结构重组使得混合溶液表面层中两类分子的蒸发势垒均较其纯组分时降低,表现出更高的蒸发活性。在蒸发过程中,乙腈分子和水分子以接近液相组成的比例协同进入气相,这种协同效应是形成二元共沸物的重要分子机制。

2.4.2 分子筛的吸水原理

水分子与乙腈的氰基氮原子形成N…H—O型氢键,其强度有限。分子筛子中的钠离子打破了水分子与乙腈形成的弱相互作用平衡[20]。Na+…OH作用有效地从乙腈的弱氢键网络中“抽提”并“锁定”水分子,固定于分子筛的阳离子位点上[18]。水分子通过与钠离子的水合作用,被有效地锚定在分子筛的孔道内部,从而实现与乙腈流体的分离[21,22]

对比样品1和样品6,其区别在于是否经过分子筛吸附,根据检测结果分析,经过分子筛吸附后样品中的水分降低。

2.4.3 乙腈精馏塔的参数设计

梯度色谱乙腈对铁离子要求不大于100 μg/L,铜离子等要求不大于10 μg/L,同时对氧化工艺生成的氧化物、高沸点杂质及活性炭、分子筛表面析出的杂质,需要通过精馏工艺进行有效分离。实验采用的是乱堆型填料塔,其中液泛速度和压力降对精馏塔的运行起到关键作用,液泛速度直接影响空塔气速,空塔气速过高会导致雾沫夹带严重,分离效果下降。压力降的升高使相对挥发度相近的物料难以分离,在精馏塔的设计操作中,将压力降控制在一个合理的最低水平是保障分离效率、运行稳定性和经济性的核心关键。一般情况下,塔的压降在10~50 mm H2O范围内。这些参数的精确控制直接影响产品的紫外吸光度指标,是保证色谱级乙腈质量稳定的关键[23,24]

2.4.4 液泛速度的计算(Bain-Hougen公式)[25]

对于乱堆型填料塔,液泛速度采用经验公式:

b-1.75(L/V′)1/4(γG/γL)1/8

(1)

式中:γG/γL为气体和液体密度之比;γG据理想气体状态方程pV=nRT,故γG为1.41 kg/m3;γG/γL为1.81×10-3;αt为填料比表面积,m2/m3;L/V′为液体和气体质量速度之比;ε为填料空隙;μL为液体粘度,cP;g重力加速度,m/s2;ωf为液泛速度,m/s;b拉西环为0.022。

乱堆型拉西环有以下关系式[26]

ε=0.395+0.605(d1/d2)2

(2)

式中:d1为拉西环内径,11 mm;d2为拉西环外径,13 mm。

对温度在230~513 K之间的有机液体,其粘度μL有如下关系式[27]

log μL=4.42×10-3T-0.800

(3)

式中:T为摄氏度(乙腈沸点81.6 ℃)。

填料比表面积αt,拉西环填料理论直径dp(m)在0.25~3 in之间乱堆型装填时有如下关系式[26]

αtdp≈4.8

(4)

式中:dp拉西环填料理论直径,dp=(d1+d2)/2。

L/V′为向下回流液体和向上流动气体质量速度之比;本次回流比为4,故L/V′为4/5。

经计算ε为0.907;μL为0.360;αt为400代入式中,实验数据求解为:ωf=1.49 m/s。空塔气速ω=ωf×0.6=0.89 m/s,空塔气速就是后续计算中的气体速度。

2.4.5 干填料压降计算(Ergun方程[28])

填料的当量直径:

dp=6(1-ε)

(5)

式中:dp为填料的当量直径,m;ε为填料孔隙率;α为填料的比表面积,m2/m3

将数值代入式(5)中,算得dp=1.39×10-3 m。

气相雷诺数的计算:

Re=(dp·uG·ρG)/μG

(6)

式中:Re为雷诺数;dp为填料的当量直径,m;uG为气体速速,m/s;ρG为气体密度,kg/m3;μG为气体粘度,查得1.05×10-5 Pa·s。

将数值代入式(6)中,求得Re=166.12。

干填料阻力系数的计算:

Ψdry=[3.2(1-ε)4.65]×Re-0.1

(7)

式中:Ψdry为干填料阻力系数;ε为填料孔隙率;Re为雷诺数。

将数值代入式(7)中,求得Ψdry=0.28。

干填料的压降计算:

(8)

式中:ΔPdry/Z为干填料单位高度压降,kPa/m;Ψdry为干填料阻力系数;uG为气体速速,m/s;ρG为气体密度,kg/m3

将数值代入式(8)中,求得ΔPdry/Z=0.156 kPa/m。

2.4.6 湿填料压降计算(Stichlmair模型)[29]

持液量计算(Buchanan公式):

(9)

液体质量速度:

L=15×10-3×4÷3600×777=0.013 kg/s

单位截面液体质量流速:

Lm=0.013÷0.0133=0.98 kg/(m2·s)

式中:hL为持液量;Lm为单位截面液体质量流速,kg/(m2·s);α为填料的比表面积,m2/m3;ρL为液体密度,kg/m3;g重力加速度,m/s2;ε为填料孔隙率。

将数值代入式(9)中,求得hL=0.06。

湿填料压降:

(10)

式中:ΔPwet/Z为湿填料单位高度压降,kPa/m;ΔPdry/Z为干填料单位高度压降,Pa/m;hL为持液量;ε为填料孔隙率。

将数值代入式(10)中,求得ΔPwet/Z=0.184,1 mmH2O=9.80665 Pa,所以,塔的湿填料压降=0.184×103÷9.8=18.78 mmH2O。塔的压力降符合正常范围。

3 结论

本研究确立了一条以氧化中和为核心、吸附与精馏协同的乙腈提纯新工艺。该工艺通过氧化中和实现杂质的高效转化与脱除,采用活性炭吸附深度控制痕量杂质及色度,分子筛去除微量水分,并依托精馏单元实现产品最终纯化。纯化后的色谱级乙腈在195~280 nm波围内的紫外吸光度达到0.026~0.002,其中在190 nm处的吸光度稳定控制在0.015以下,各项指标均达到国际先进水平。该技术路线具有工艺流程合理、操作稳定可靠、产品质量优异等特点,特别适用于高纯度色谱级乙腈的规模化生产。

参考文献:

[1]Zheng X G.AdvFine Petrochem.,2020,21(6):42-44;48.郑学根.精细石油化工进展,2020,21(6):42-44;48.

[2]Yang X H.Anhui ChemInd.,2003,29(3):11.阳晓辉.安徽化工,2003,29(3):11.

[3]Song J L,Li X,Zhao M H,Du W L,Sun H L,Li R X,Zhang Y Z.ChemReagents,2010,32(12):1117-1120.宋金链,李霞,赵明辉,杜文玲,孙华蕾,李润喜,张玉芝.化学试剂,2010,32(12):1117-1120.

[4]Bai C L,Zhang B,Luo Y.Shandong ChemInd.,2010,39(3):22-27.白聪丽,张奔,罗艳.山东化工,2010,39(3):22-27.

[5]Yang C Q,Zou D Q,Wang D S,Ma Q.Fine Specialty Chem.,2022,30(7):37-42.杨长青,邹德强,王大松,马群.精细与专用化学品,2022,30(7):37-42.

[6]Zhao G Z,Xiao Z P.ChemEngDes.,2002,12(5):14-16.赵国忠,肖珍平.化工设计,2002,12(5):14-16.

[7]Zheng X G,Qiu X S,Wang C M,Yang X H.PetrochemTechnol.,2004,33(10):964-967.郑学根,邱晓生,王长明,阳晓辉.石油化工,2004,33(10):964-967.

[8]Ye F,Huang C G,Zhang J Y.Organic Synthesis Chemistry.2nd ed.Beijing:Chemical Industry Press,2018.叶非,黄长干,张金艳.有机合成化学.2版.北京:化学工业出版社,2018.

[9]Dong L Y,Wu Y T,Wang Y F,Zhu M Y,Wang H L,Hao G P,Lu A H.AngewChemIntEd.,2025,64(45):e202513359.

[10]Tatemoto E,Abe I.Application Technology of Activated Carbon:Its Maintenance Management and Existing Problems (Gao S Y Trans).Nanjing:Southeast University Press,2002:45.立本英机,安部郁夫.活性炭的应用技术:其维持管理及存在问题(高尚愚译编).南京:东南大学出版社,2002:45.

[11]Cui X Q,Xiang M L,Guo C H,Qu Y Q.TechnolEconPetrochem.,2018,34(3):51-57.崔小琴,向明林,郭朝晖,屈叶青.石油化工技术与经济,2018,34(3):51-57.

[12]Albers P,Burmeister R,Seibold K,Prescher G,Parker S F,Ross D K.JCatal.,1999,181(1):145-154.

[13]Li H H,Li H Y.MaterSciEngPowder Metall.,2014,19(4):647-653.李海红,李红艳.粉末冶金材料科学与工程,2014,19(4):647-653.

[14]Wen R Q,Miao Y E,Zhang X M,Yang J,Ding H R.IndWater Treat.,2007,27(3):19-20.闻人勤,苗毓恩,张晓敏,杨健,丁桓如.工业水处理,2007,27(3):19-20.

[15]Han L,Li K X,Gao F.Coal Convers.,2008,31(3):71-76.韩露,李开喜,高峰.煤炭转化,2008,31(3):71-76.

[16]Yao S C,Lu J D,Pan S H,Jiang M C,Li P,Xie C L,Li J.ChinJLasers,2010,37(4):1114-1117.姚顺春,陆继东,潘圣华,蒋梅城,李娉,谢承利,李捷.中国激光,2010,37(4):1114-1117.

[17]Doak J,Gupta R K,Manivannan K,Ghosh K,Kahol P K.PhysE Low DimensionSystNanostruct.,2010,42(5):1605-1609.

[18]Lai Z L,Wu P Y.Acta ChimSin.,2006,64(23):2357-2364.赖祖亮,武培怡.化学学报,2006,64(23):2357-2364.

[19]Ji M J,Yang P C,Ye X Q,Hou T J,Xu X J.Acta PhysChimSin.,2000,16(6):487-490.计明娟,杨鹏程,叶学其,侯廷军,徐筱杰.物理化学学报,2000,16(6):487-490.

[20]Avanashiappan N,Yoshihiro l,Motoki U.JAmChemSoc.,2020,142(50):20994-21003.

[21]Xu R R.Molecular Sieves and Porous Materials Chemistry.Beijing:Science Press,2004:425-436.徐如人.分子筛与多孔材料化学.北京:科学出版社,2004:425-436.

[22]Zhang J Y,He J L,Wang G B,Ma H W,Zhan X C,Zhang D Q.ACS Omega,2024,9(13):15481-15492.

[23]Yu G S,Liang Y H,Yang Z C.JTianjin Univ.,1966,(2):17-32.余国琮,梁玉衡,楊志才.天津大学学报,1966,(2):17-32.

[24]Li X Y.Study on Acetonitrile Purification Process and Application of Aspen Software Simulation.Zibo:Shandong University of Technology,2013.李修园.乙腈精制的工艺研究及Aspen软件模拟的应用.淄博:山东理工大学,2013.

[25]Yang C Q,Zou D Q,Wang D S,Ma Q.ChemReagents,2022,44(12):1782-1788.杨长青,邹德强,王大松,马群.化学试剂,2022,44(12):1782-1788.

[26]Isao O,Norio O.Pocket Manual of Chemical Engineering.Nanjing:Phoenix Science Press,1985:167.冈田功,荻野典夫合.袖珍化工手册.南京:江苏科学技术出版社,1985:167.

[27]Shen Y S,Liu M.JSouth CentUnivNatlNatSci.,1997,(3):5-10.沈雨生,刘敏.中南民族学院学报(自然科学版),1997,(3):5-10.

[28]Madsen E,Neerup R,Gladis A,Jørsboe J K,Solms N,Fosbøl P L.ChinJChemEng.,2023,64:281-291.

[29]Liu Y S,Zheng J,Xu X M,Shen F.PetrolRefinEng.,1993,23(6):52-55;6.刘艳升,郑军,徐孝民,沈复.炼油设计,1993,23(6):52-55;6.

Research on the Preparation of Gradient-Grade Acetonitrile from Industrial Acetonitrile

DONG Yi-meng*,YANG Chang-qing,LIU Ruo-feng,YU Pu-fan,WANG Lu

(Beijing Research Institute of Chemical Reagents Co.,Ltd.,Beijing 102607,China)

Abstract:With the increasing application of liquid chromatography in fields such as pharmaceutical analysis and biological separation,the requirements for key mobile-phase solvents have become increasingly stringent.Chromatographic-grade acetonitrile,which is one of the most commonly used solvents,must meet rigorous standards for ultraviolet (UV) transmittance,baseline stability,and batch-to-batch consistency.Industrial-grade acetonitrile was employed as the raw material.A purification process integrating oxidation,adsorption,and rectification was systematically implemented.A removal method for trace water in acetonitrile,a critical impurity affecting the UV performance,was thoroughly investigated.Challenges associated with water removal,including its strong interactions and potential azeotropic behavior,were analyzed and discussed.Furthermore,key operational parameters for the rectification column,namely,the flooding velocity and pressure drop,were examined and optimized to ensure stable and efficient operation,enabling the continuous,multi-batch production of high-purity chromatographic-grade acetonitrile on a pilot scale.The obtained product exhibited exceptional performance;the UV absorbance was as low as 0.002~0.026 across the 195~280 nm wavelength range,accompanied by a flat and clean baseline free from extraneous peaks.Notably,the absorbance at the highly demanding 190 nm wavelength was consistently controlled below 0.015.A comprehensive evaluation confirmed that all critical performance indicators of the product surpassed those of commercially available Merck products.Practical application demonstrated that this technical route features a rational process design,stable and reliable operation,and excellent product quality.This method was particularly suitable for the large-scale production of high-purity chromatographic-grade acetonitrile.This study provided reliable technical support and a viable material solution for high-end analytical and detection applications,offering a competitive alternative for domestic supply in this specialized sector.

Key words:molecular sieves;chromatographic-grade acetonitrile;activated carbon;distillation;adsorption

中图分类号:O6-332;TQ421

文献标识码:A

文章编号:0258-3283(2026)03-0080-07

DOI:10.13822/j.cnki.hxsj.2025.0301

收稿日期:2025-12-18;修回日期:2026-01-26;接受日期:2026-01-28

作者简介:董艺萌(1999-),女,河北邯郸人,学士,助理工程师,主要研究方向为试剂分离与提纯,E-mail:1318648013@qq.com。